
안녕하세요.
특허컨설팅 업무실적 1위
하이테크감정평가법인입니다.
오늘은 특허를 활용한
가지급금정리 및 세금절세
사례를 소개해 드리겠습니다.
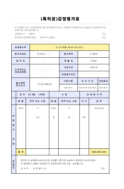
특허권 평가는 대표님께서 주신
3개년 재무제표 사업자등록증 특허권등의
자료를 바탕으로
시장가치(공정가치) 기준으로 산정하여
국세청제출 시가참조용
목적으로 진행되었으며
대표님께서는
특허권을 유상양수도(=시가참고)를 통해
종합소득세, 법인세에 대해
1.3억의 절세효과를 보셨습니다.


사업장소개
오늘 소개해드릴 사업장은
법인사업장으로 2013년 10월
설립된 회사입니다.
영등포구 문래동에 위치해 있는
서비스업, 제조업 법인입니다.
환경컨설팅 및 관련엔지니어링
서비스 수처리설비제조
연구개발 컨설팅을 영위하고 있습니다.
평가대상
가. 의뢰목록

나. 평가대상 검토 상기 특허권은
유사 상품군에 적용되는 바
전체를 하나의
클러스터로 묶어 평가 하도록 한다 .

가지급금 정리방법
가지금금정리 방법에는
여러가지가 있습니다.
1. 보수(급여/상여)정리
2. 주주 배당금으로 정리
3. 직무발명보상금으로 정리
4. 개인보유특허권을 법인에 매각하여 정리
여기서 저희가 이번사례로 소개해드릴
가지급금 정리 방법은
바로 4번 특허권 유상양수도 입니다.
급여나 주주배당금으로 정리를 할경우
세금 폭탄을 맞을 수 있기 때문에
저희는 절세에 방향성을 두고
가지급금을 정리한 사례에 대해서
소개해 드리겠습니다.
무형자산유상양수도
무형자산이란 실체가 없는
무형의 자산을 의미합니다.
종류로는
영업권, 산업재산권
(특허권, 실용신안권, 디자인권, 상표권) 및
저작권과 기타 광업권 어업권
등이 있습니다.
무형자산은 실제 생산 및 판매활동에
직접적인 영향을 미치지는 않지만,
향후 기업이 이익을 창출하는 데
기여할 수 있는 자산입니다.
무형자산을 기업의 상황에
맞게 잘 활용하면
합법적인 절세가 가능합니다.
특허권이 대표님이나 임원 등의
소유일 경우에는
특허권의 양수, 양도를 통해서
절세 및 기업가치상승의 효과를
동시에 얻을 수 있게 됩니다.
예를 들어
개인사업자는 영업권으로 절세할 수 있고,
법인 대표이사는
특허권 등 각종 지적재산권을 활용해
소득세 및 법인세를 절감하고
가지급금 정리, 부채비율 감소 등의
효과를 볼 수 있습니다.
1. 무형자산 유상양수도의 개요
법인임원(대표)의 가능 기술 보유
및 기술적용 매출이 존재하면
해당법인에 특허소유권을 넘기고
감정평가법인에서 평가한
특허권금액을 받을 수 있습니다.
대표와 법인은
법인세법 시행령 제87조 제 1항에서
특수관계인입니다.
이럴 경우 특허가치평가를 받을 수 있습니다.
법인세법 시행령 제89조 제2항,
조심 2008서0120이 근거법령입니다.
특허권금액의 60% 필요경비가 인정되어
비과세로 비용처리할 수 있는
혜택이 주어집니다.
또한 종합소득세 누진세율을
회피할 수 있으며,
법인세 경감에도 이용할 수 있습니다.
특허권은 무형자산으로 인식되어
감가상각비로 비용처리되며
특허권의 경우 7년간 상각이 가능하며
영업권은 5년간 상각이 가능합니다.
그리고 특허권 금액만큼
법인세 비과세 혜택을 볼 수 있습니다.
최종적으로는
특허권 금액의 40~50%
절세 효과가 발생합니다.
2. 특허 유상양수도의 세무효과 개요
특허권은 가치평가한 다음
특허에 대한 소유권을 법인에 양도할 때
대표님이나 임원 등이 받는 소득에 대해서는
기타소득으로 보아 과세합니다.
기타소득은 70% 공제 한 다음
30%에 대해서만 과세표준으로 잡기 때문에
실효세율은 15%를 넘지 않아 효과적입니다.
절세효과

대표님들께서는
"그래서 세금이 얼마나 덜나오는지" 가
중요하실 거라고 생각이 듭니다.
이번 사례에 대표님의 특허권은
3억으로 평가가 되었습니다.
상단의 표에서 보시는 바와 같이
주주배당이나 대표자 급여로
가지급금을 정리하는 것보다
특허권 유상양수도로 진행 했을 경우에는
오히려 환급으로
절세효과가 어마어마 합니다.
주주배당과 비교해보면
약 1.3억의 절세효과가 발생하게 되며
급여로 가지고 가시는 경우와 비교한다면
5,400만원의 절세효과가 발생하게 됩니다.
주주배당이나 대표자급여로는
납부할 세금이 발생하는데
특허권유상양수도는
오히려 환급을 받을 수 있게 됩니다.
가지급금도 해결 하면서
절세도 할 수 있는 방법이
바로 특허권유상양수도 입니다.
오늘은 특허권을 통한
가지급금 정리사례를 소개해드렸습니다.
가지급금은 법인에게도 대표님께도
많은 문제점을 야기시킵니다.
가지급금이 있다면
매년 4.6%의 인정이자 발생 되고
세금부담이 높아지기 때문에
적절한 방법으로 가지급금을
해결해야 합니다.
가지급금은
기업 활동과는 무관하게
기업이 대표에게 빌려주는 대여금이기에
과세당국은 가지급금이 있는 기업들을
대상으로 세금 추징에 집중하여
세무조사를 강화하고 있어
막대한 세금 위험을 가지고 있습니다.
최대한 빠르고 안전하게
가지급금을 해결 할 수 있도록 해야합니다.
'특허컨설팅 > 가지급정리' 카테고리의 다른 글
| [OO하이텍] 3억5천만원 가지급금 처리 (0) | 2021.08.26 |
|---|---|
| [주식회사 OO건설] 3원 가지급금 정리방법 (0) | 2021.08.26 |
| 주식회사 OOO아이 특허권 활용 가지급금 정리사례 (0) | 2021.08.26 |
| OO산업주식회사 특허권 활용 가지급금 정리사례 (0) | 2021.08.26 |
| (주)뉴OOO월드 특허권 활용 가지급금 정리사례 (0) | 2021.08.26 |
댓글